www.zjqczh.com詳細說明

1。精度等級 :±1.6% ;±2.5%。
2。表殼直徑:60mm;100mm ;150mm 。
3。表殼材質:304不銹鋼 ,316不銹鋼。
4。表殼形式:安全殼構造,隔板裝置后釋放
5。彈性元件及接頭體材質:304; 316,彈性元件與接頭體氬弧焊接 。
6。機芯材質: 304不銹鋼,316不銹鋼。
7??炜ㄟB接: 50.5
8。測量范圍:-0.1~0~60 MPa
9。指針:普通
10。表玻璃:有機玻璃、安全型雙層玻璃
11。耐震型充填材質 甘油98%(可選擇硅油、氟油或其它類別)
12。使用環境溫度:
1)-20~70℃(外殼內充液)
2)-40~100℃(外殼內不充液)
隔膜表的耐蝕性
隔膜壓力表的耐蝕性可通過合適的選擇與測量介質接觸部分的隔膜、法蘭及密封圈的材料來保證。
隔膜材料:316L
法蘭材料:201、304、316、316L
密封因材料:硅橡膠、聚四氟乙烯
密封液的選擇
為了保證衛生型不銹鋼耐震隔膜壓力表使用的可靠性和安全性,根據不同用途,選擇合適的密封液。
注:1.用戶也可選用其它通用型壓力表,訂購時同本廠協商。
2.壓力表同隔膜裝置連接方式也可選用其它形式,訂貨時同本廠協商。
□隔膜裝置法蘭尺寸
1.卡箍式隔膜隔離器[代號MC]

法蘭尺寸 | A | B |
11/2" | 43.5 | 50.5 |
2" | 56.5 | 64.0 |
自選件(符合ISO--2852標準)
1.卡箍11/2、2"
2.管接頭11/2、2"
3.密封圈(材料為硅橡膠、聚四氟乙烯)
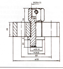
2.螺母式隔膜隔離器[代號MN]
隔膜和隔膜座材料:0Cr17Ni12Mo2[316]

3.矩形法蘭式隔膜隔離器[代號MH]
隔膜和隔膜座材料:0Cr17Ni12Mo2[316]

注:產品圖片以實物為準!