www.zjqczh.com詳細說明

主要技術指標
隔膜表的耐蝕性
卡箍式衛生型隔膜壓力表的耐蝕性可通過合適的選擇與測量介質接觸部分的隔膜、法蘭及密封圈的材料來保證。
隔膜材料:316L
法蘭材料:201、304、316、316L
密封因材料:硅橡膠、聚四氟乙烯
密封液的選擇
為了保證卡箍式衛生型隔膜壓力表使用的可靠性和安全性,根據不同用途,選擇合適的密封液。
參數:
1。精度等級 :±1.6% ;±2.5%。
2。表殼直徑:60mm;100mm ;150mm 。
3。表殼材質:304不銹鋼 ,316不銹鋼。
4。表殼形式:安全殼構造,隔板裝置后釋放
5。彈性元件及接頭體材質:304; 316,彈性元件與接頭體氬弧焊接 。
6。機芯材質: 304不銹鋼,316不銹鋼。
7。快卡連接: 50.5
8。測量范圍:-0.1~0~60 MPa
注:1.用戶也可選用其它通用型壓力表,訂購時同本廠協商。
2.壓力表同隔膜裝置連接方式也可選用其它形式,訂貨時同本廠協商。
隔膜裝置法蘭尺寸
1.卡箍式隔膜隔離器[代號MC]

法蘭尺寸 | A | B |
11/2" | 43.5 | 50.5 |
2" | 56.5 | 64.0 |
自選件(符合ISO--2852標準)
1.卡箍11/2、2"
2.管接頭11/2、2"
3.密封圈(材料為硅橡膠、聚四氟乙烯)
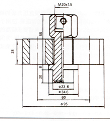
2.螺母式隔膜隔離器[代號MN]
隔膜和隔膜座材料:0Cr17Ni12Mo2[316]

3.矩形法蘭式隔膜隔離器[代號MH]
隔膜和隔膜座材料:0Cr17Ni12Mo2[316]

注:產品圖片以實物為準!
